Rod ends are suitable for universal use in applications subject to dynamic loads. As well as use in corrosion-risk areas, the design in stainless steel can also be used under higher dynamic loads.
Rod ends are used for bearings where movements between shaft and housing are necessary, and where the movements are not in a straight line.
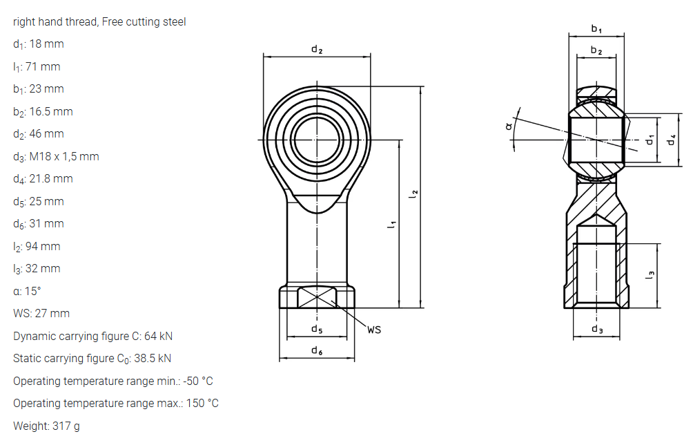
Rod ends are ready-to-install elements manufactured to DIN ISO 12240-4 (dimension series K). The PTFE fabric inserted into the bearing shell means that the rod ends are maintenance-free.

E-mail:Sunny@dsq-industries.com
Tel:+86-15051683850
Whatsapp:+86-15051683850
Add: 275 Dundas Street Dundas Street, Unit #1, London, Ontario, Canada, N6B 3L1
Original Source,23 Years Supplier,Favourable Price,Stable Quality & Fast Delivery